
|
No. 7 - februari 2006 - Wordt wekelijks 'ververst' - Redactie: John Piek (PA0ETE) |
|
Zelfbouw: lineaire versterkers voor amateurgebruik Deel 1 - De keuze van buis en trafo |
Zelfbouw: lineaire versterkers voor amateurgebruik Deel 1 - De keuze van buis en trafo Aan de hand van deze reeks van tien afleveringen zal de bouw, de werking, het onderhoud en het afregelen van een lineaire versterker worden beschreven. Daarbij wordt geprobeerd om de lezer aan de hand van de praktijk een zo volledig mogelijk beeld te geven van wat er komt kijken voor een dergelijke versterker. Een cruciale vraag die bij dit
soort dingen altijd meteen de kop opsteekt is de volgende: hoe zit het met het toegestane vermogen dat je mag
uitzenden? En hoe zit het met het toegestane vermogen dat een lineair die je in bezit hebt eventueel mag kunnen
leveren? De Nederlandse wet is hierin mijns inziens zeer onduidelijk. In diverse Nederlandse amateurbladen (Elektron/CQPA en destijds ook RAM) worden lineairs aangeboden van 2 kW of meer. Om maar niet te spreken over de aanbiedingen op internet. Verder is het zo dat het Europese beleid in deze ook niet eensluidend is. In verschillende EU-landen is het maximale vermogen 100 watt, terwijl in het buurland het maximale zendvermogen 1 kW mag bedragen.
Keuzes |
De versterkerbuis klik hier voor buizenoverzicht
Voor het hier beschreven project is gekozen voor de TB3,5/750 (TB3/750 kan ook). Dit zijn een tamelijk gemakkelijk te verkrijgen buis en buisvoet op de diverse radiomarkten in Europa.
En deze buis voldoet gemakkelijk aan de limiet van 400 watt output die we gesteld hadden, en is
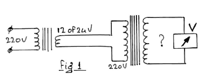
bovendien door die overdimensionering ook zeer geschikt voor het draaien van een 48 uurs contest! Neem een bestaande trafo uit de junk-box (rommelbak) van bijvoorbeeld 12 of 24 volt. In figuur 1 is aangegeven hoe de schakeling in elkaar steekt. Sluit deze 24 V AC aan op de primaire kant van de hoogspanningstransformator. Meet vervolgens de wisselspanning aan deze primaire kant van de hoogspanningstrafo en die aan de secundaire zijde. Wat je nu meet is een verhouding tussen twee spanningen. Wanneer de primaire spanning 24 V AC is, en de secundaire spanning 290 volt dan is hiermee de verhouding dus bekend. Met de onderstaande formule kan op simpele wijze de werkelijke secundaire spanning worden berekend, 'x' is hierbij de onbekende die we dus willen weten: 24 / 230 = x / 290, dus x = (230 * 290) / 24, x = 2880 volt AC
In dit geval is de trafo dus inderdaad uitstekend geschikt voor ons doel. 2880 = 0,4 * R, hieruit volgt: 2800 / 0,4 = R, dus: R = 7000 ohm Het vermogen van de weerstand zal I2 x R moeten zijn, dus: I * I * R = 0,4 * 0,4 * 7000 = 1120 watt. Ik neem aan dat niemand een weerstand van 7 kilo-ohm bij 1120 watt zal hebben liggen, en al zou dat het geval zijn, hoe weet je dan of het gevraagde vermogen geleverd wordt? |
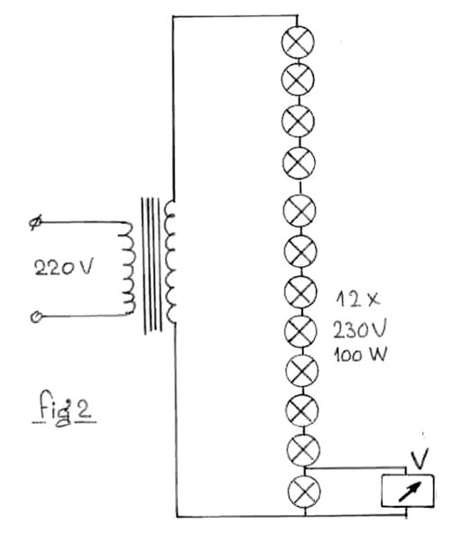
We doen hiervoor de gloeilamptruc... In figuur 2 staat aangegeven hoe de lampen en de voltmeter moeten worden aangesloten. Bij de bouwmarkt kopen we 12 gloeilampen (van de allergoedkoopste soort), van 100 watt bij 230 volt. In serie geschakeld zijn deze goed voor 12 x 230 = 2760 volt. En 12 maal 100 watt is uiteraard gelijk aan 1200 watt!! Sluit nu deze string van gloeilampen aan op de 2880 V-zijde van de trafo. Ziedaar, de kerstverlichting gaat branden. Wanneer de trafo ook werkelijk zijn vermogen kan afleveren, is dit heel eenvoudig vast te stellen door de spanning over één van de gloeilampen te meten. Ligt deze spanning in de buurt van 2880 / 12 = 240 tot 200 volt, dan kun je er zeker van zijn dat de trafo OK is. 200 volt? Zul je misschien wel zeggen, maar trafo's onder volle belasting 'storten' wat spanning betreft altijd een beetje in, en als er bij 200 volt nog zo'n 400 mA geleverd kan worden, betekent dat dat er altijd nog zo'n 12 x 200 = 2400 AC overblijft!
Rest ons wat deze aflevering betreft nog de kast. Het maken van een goede en ook representatieve behuizing voor een lineair is voor veel amateurs nog altijd een probleem. Zelf maken strandt vaak op het niet voorhanden hebben van een goede zetbank en laten maken, tja daar hangt natuurlijk wel een prijskaartje aan... We kunnen het daarom dus het beste zoeken in een bestaande kast. En dat kan! Wederom verwijs ik naar de bestaande radiomarkten overal in den lande. Vandaag de dag is er een groot aanbod van allerhande meet- en regelapparatuur uit de jaren 50, 60 en 70. Meetzenders, signaalgeneratoren, ontvangers en zenders, niemand wil ze meer in de shack hebben vanwege hun omvang en de verouderde specificaties. Maar kijk nu eens niet naar de inhoud, maar naar het omhulsel, vaak zijn het prachtige, professionele kasten. Het enige dat er meestal moet gebeuren is een nieuwe (vlakke) frontplaat en een (vlakke) basisplaat waarop een lineair gebouwd kan worden. Vraag de handelaar dan ook niet of "ie" het nog doet, maar bied gewoon € 25,- voor zo'n apparaat, en honderd om één dat u vervolgens eigenaar bent van een prachtkast met op de koop toe een heleboel mooie slooponderdelen.
Ga er bij de keuze in elk geval van uit dat de kast een minimale breedte moet hebben van 43 cm, een hoogte van 20 cm en een diepte van 36 cm. Na demontage van een bestaande kast kunt u de maten bepalen van de front- en achterplaat en tevens van de chassisplaat. Deze laatste moet ongeveer 5 cm vanaf de onderkant van de frontplaat met aluminium hoeklijntjes aan de zij- en frontplaat vast gemonteerd worden. De
achterplaat moet NIET aan dit frame gemonteerd worden.
zhtech[a]zhtech.nl |
©2006, copyright op alle materiaal: John Piek, tenzij anders vermeld.
Kopiëren of publicatie zonder schriftelijke toestemming vooraf verboden
Van toepassing
zijn daarnaast de meest recente algemene voorwaarden van Piek-E
press.